在即时检测(POCT)领域,干化学是一项不可绕开的核心技术。它不仅是“便捷”与“快速”的代名词,更是实现家庭、社区及急诊现场精准诊断的关键支撑,为分级诊疗政策的落地筑牢技术根基。
一、干化学原理
干化学,在专业领域常被称为干化学技术或干试剂化学,是相对于传统“湿化学"而言的一种分析技术。其核心定义是:将反应所需的全部或部分试剂,以固相形式预固定在特定的载体上,待测样品中的液体作为反应介质,通过渗透、层析或扩散作用,与固化试剂发生特异性化学反应显现颜色,从而实现对被测物定性或定量分析的一种技术。
主要用于测定肝功能、肾功能、心肌酶谱、血糖、血脂、尿酸等指标。
二、干化学与湿化学区别
特征 | 干化学 | 湿化学 |
试剂形态 | 固相 | 液相 |
反应载体 | 微孔膜材 | 比色杯/反应池 |
操作流程 | 简洁,一步或几步完成 | 繁琐,需多步稀释、混合 |
分析速度 | 极快(数10秒至1分钟) | 较慢(数十分钟) |
样本用量 | 极少(5-20μL) | 较多(>100μL) |
主要应用场景 | 床边检测、家庭自测、基层医院 | 中心实验室、大医院检验科 |
总的来说,干式生化的特点包括:
1. 快速便捷: 数10秒至1分钟出结果。
2. 易于操作: 无需复杂设备,适合现场及家庭使用。
3. 样本量少: 微量全血、血浆、尿液即可。
4. 易于储存与运输:常温干燥保存。
三、科百特滤材在干化学中的应用
(一) 单层干化学
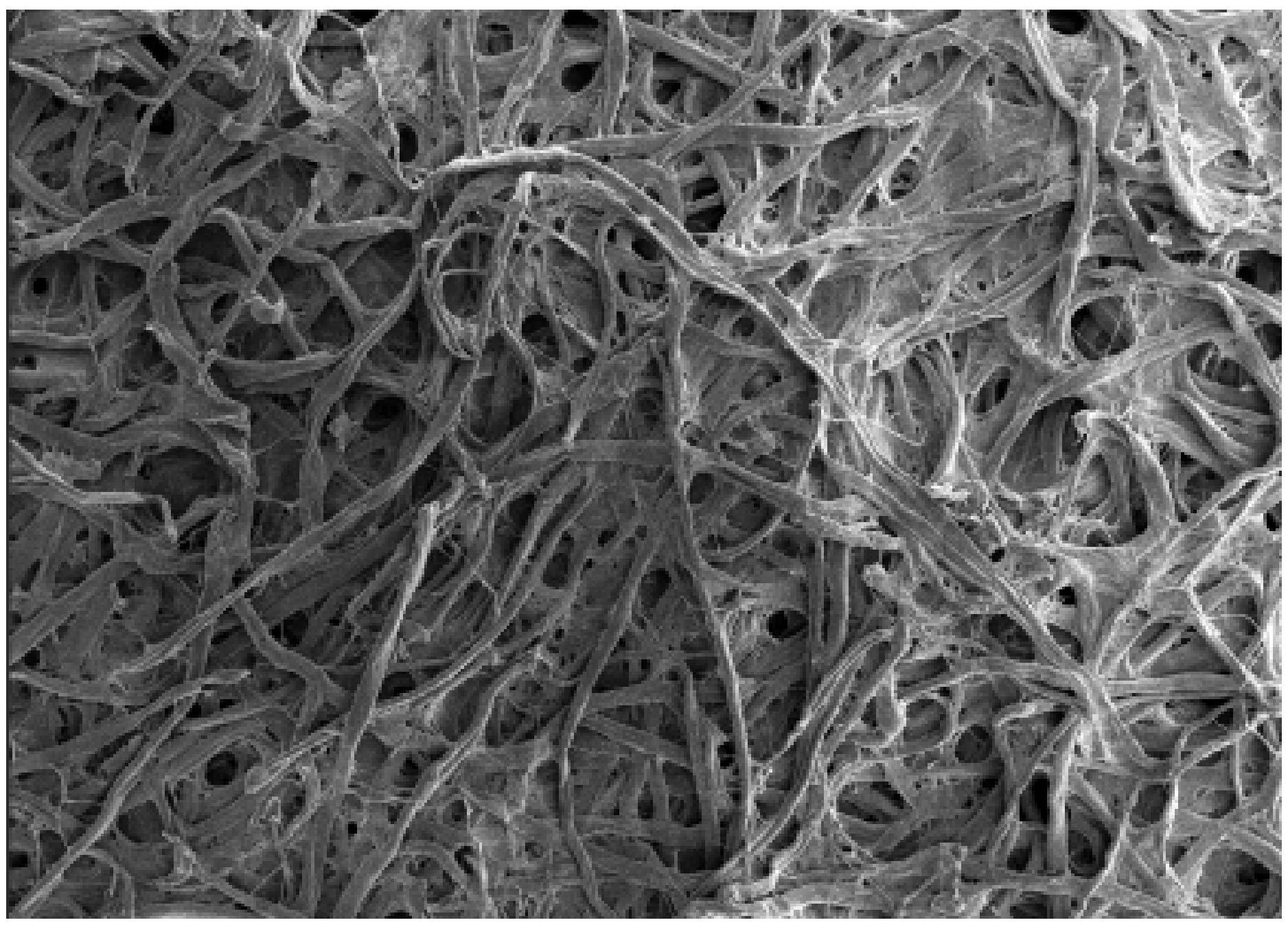
在“单层”设计中,所有的化学反应物、催化剂、显色剂等都被集成在一个物理层中,例如尿液检测。棉纤维滤纸是其重要组件,而准确选择一款高吸水量、高吸收速率和高湿强的材料是生产出有效的产品关键。Cobetter拥有一系列优质棉纤产品可用于干化学分析试纸的制作:CF-03、CF-04、CF-31。这些产品符合浸渍检测法对基质的均一性和对吸附活性化学物质不起反应的要求,以下为电镜分析图。

Cobetter CF系列参考数据
型号 | 厚度(μm) | 克重(g/m²) | 吸水量(g/m²) |
CF-03 | 341-371 | 165-183 | 293-325 |
CF-04 | 377-428 | 136-149 | 347-418 |
CF-31 | 428-517 | 202-209 | 439-468 |
对比案例分享
型号 | 应用 | 浸泡图示 | 浸泡现象 |
CF-03 CF-04 CF-31 | 尿液分析试纸 强酸溶液浸泡 预处理 | ![]() | 滤纸表征无异常 |
某进口产品 | 尿液分析试纸 强酸溶液浸泡 预处理 | ![]() | 滤纸出现泛黑 强度变弱 直接开裂 |
*实验室测试数据
(二)多层干化学
多层干化学试纸通常由2至4层功能膜构成,自上而下依次为:扩散层、滤血层、沉淀层和反应层。各层承担特定功能,协同实现样本处理与信号生成。科百特针对不同功能层的性能需求,提供多个系列的专用膜材,全面支持干化学检测的精准与稳定。

1. 扩散层
关键功能:使样本均匀分布,迅速扩散
膜材选择:Cobetter尼龙网/聚酯网
2. 滤血层
关键功能:过滤红细胞,滤除干扰物质,完成血浆分离
膜材选择:Cobetter RB系列玻纤滤血膜/Cobetter PSM全血分离膜
(1) Cobetter RB系列玻纤滤血膜
RB系列滤血膜是一种玻璃纤维膜,具有高流速、高截留、高负载的优势,可以高效拦截全血中的红细胞,分离血浆用于后续测试。具有截留能力强,红细胞滤除率高,血浆回收率更高,蛋白质结合率低的优势。

型号 | 材质 | 推荐上样量 (μl/cm²) | 厚度 (μm) | 血浆分离时间 (min) | 最小血浆回收率 (%) |
RB0.45 | 玻璃纤维 | 30-35 | 580±20 | ≤2 | 50 |
RB1.1 | 玻璃纤维 | 75-80 | 1170±20 | ≤2 | 40 |
(2)Cobetter PSM全血分离膜

Cobeter开发的PSM系列全血分离膜是专门为POCT诊断而开发的一种新型过滤膜,功能上实现三位一体,层层精准:上层滤血、中层沉淀、下层反应,一步到位,确保检测结果的精准与高效。
干性生化

侧向流免疫层析

微流控

型号 | 材质 | 推荐上样量 (μl/cm²) | 厚度 (μm) | 血浆分离时间 (min) | 最小血浆回收率 (%) |
PSM 0180-B | 聚醚砜 | 30-35 | 340±20 | ≤2 | 80 |
3.沉淀层
关键功能:辅助沉淀滤除杂质,提高检测特异性
膜材选择:Cobetter 聚醚砜EA系列
4.反应层
关键功能:作为反应显色的试剂的载体,固定反应试剂(酶、底物、缓冲液、稳定剂等)
膜材选择:Cobetter 聚醚砜EAX系列/尼龙膜FD系列
(3) Cobetter 聚醚砜膜
Cobetter PES 膜采用高度非对称结构,开孔均匀、孔隙率高(>75%),具备优异的渗透性能与快速润湿特性,确保高流速与低背景干扰。产品提供从 0.1 μm 到 10 μm 的多种孔径选择(0.1、0.2、0.45、0.65、0.8、1、3、5、8、10 μm),可实现逐级过滤;凭借出色的批次一致性与稳定性,特别适用于多层干化学检测中的沉淀层与反应层,为精准诊断提供可靠膜材支撑。

在追求速度与精准的即时检测世界里,每一次可靠的诊断,都离不开幕后材料的坚实支撑。科百特,或许不曾出现在最终的检测报告上,但我们始终以“隐形守护者"的身份,深植于每一张试纸条的核心。我们深信,卓越的科技,源于对每一个细节的坚守。赋能干化学,我们从未止步。

